首页
关于雅弗
雅弗简介
宣传视频
产品中心
井用潜水泵
立式多级泵
污水泵
液下泵
卧式泵
控制器柜
供水系统
配件
服务与支持
联系我们
English
欢迎来到雅弗泵业股份有限公司官方网站!
首页
关于雅弗
雅弗简介
宣传视频
产品中心
井用潜水泵
立式多级泵
污水泵
液下泵
卧式泵
控制器柜
供水系统
配件
服务与支持
联系我们
English
井用潜水泵
立式多级泵
污水泵
液下泵
卧式泵
控制器柜
供水系统
配件
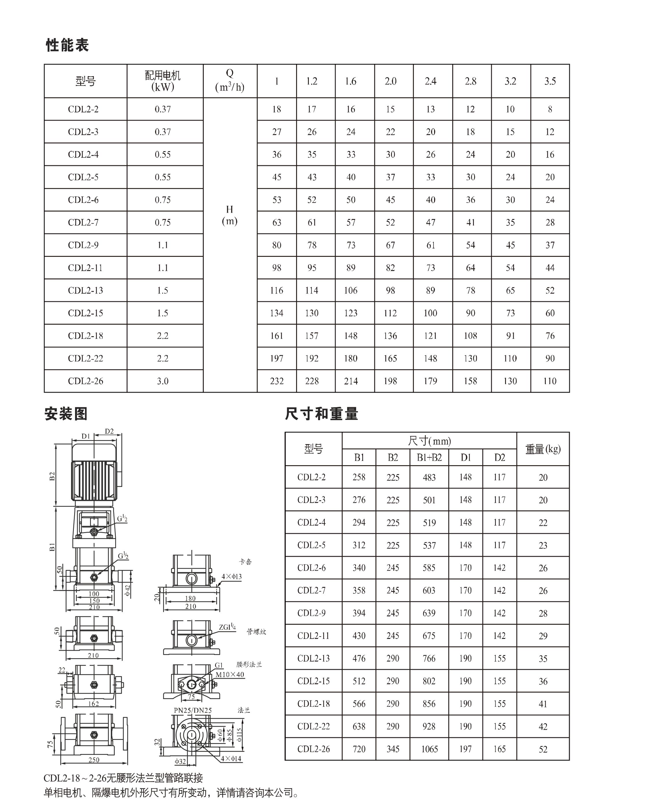
CDL CDLF2
应用: CDL/CDLF是一种多功能产品,可以输送从自来水到工业液体的各种不同介质,适应于不同温度、流量和压力范围,CDL适用于无腐蚀性液体,CDLF适用于轻度腐蚀性液体。 适用范围: 工业增压:流程水系统、清洗系统、高压冲洗系统、消防系统 供水:水厂过滤与输送,水厂分区送水、主管增压、高层建筑增压。 工业液体输送:冷却和空调系统、锅炉给水和冷凝系统、机床配套、酸和碱。 水处理:超滤系统、反渗透系统、蒸馏系统、分离器、游泳池。 灌溉:农田灌溉、喷灌、滴灌。
详细参数
版权所有©2005-2022 浙江雅弗泵业股份有限公司
网站建设:uYuan Technology